Product Summary
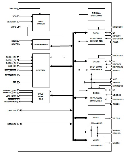
The TPS65021RHAR is an integrated Power Management IC for applications powered by one Li-Ion or Li-Polymer cell, and which require multiple power rails. The TPS65021RHAR provides three highly efficient, step-down converters targeted at providing the core voltage, peripheral, I/O and memory rails in a processor based system. The applications of the TPS65021RHAR include: PDA, Cellular/Smart Phone, Internet Audio Player, Digital Still Camera, Digital Radio Player, Split Supply DSP and mP Solutions: OMAP1610, OMAP1710, OMAP330, XScale Bulverde, Samsung ARM-Based Processors, etc. Intel PXA270, etc.
Parametrics
TPS65021RHAR absolute maximum ratings: (1)VI Input voltage range on all pins except AGND and PGND pins with respect to AGND: –0.3 to 7 V; (2)Current at VINDCDC1, L1, PGND1, VINDCDC2, L2, PGND2, VINDCDC3, L3, PGND3: 2000 mA; (3)Peak Current at all other pins: 1000 mA; (4)TA Operating free-air temperature: –40 to 85 ℃; (5)TJ Maximum junction temperature: 125 ℃; (6)Tstg Storage temperature: –65 to 150 ℃; (7)Lead temperature 1,6 mm (1/16-inch) from case for 10 seconds: 260 ℃.
Features
TPS65021RHAR features: (1)1.2 A, 97% Efficient Step-Down Converter for System Voltage (VDCDC1); (2)1 A, Up to 95% Efficient Step-Down Converter for Memory Voltage (VDCDC2); (3)800 mA, 90% Efficient Step-Down Converter for Processor Core (VDCDC3); (4)30 mA LDO/Switch for Real Time Clock(VRTC); (5)2 × 200 mA General-Purpose LDO; (6)Dynamic Voltage Management for Processor core; (7)Preselectable LDO Voltage Using Two Digital Input Pins; (8)Externally Adjustable Reset Delay Time; (9)Battery Backup Functionality; (10)Separate Enable Pins for Inductive Converters; (11)I2C Compatible Serial Interface; (12)85μA Quiescent Current; (13)Low Ripple PFM Mode; (14)Thermal Shutdown Protection; (15)40-Pin 6 mm × 6 mm QFN Package.
Diagrams

| Image | Part No | Mfg | Description | ![]() |
Pricing (USD) |
Quantity | ||||||||||
|---|---|---|---|---|---|---|---|---|---|---|---|---|---|---|---|---|
![]() |
![]() TPS65021RHAR |
![]() Texas Instruments |
![]() Battery Management 6-Ch Pwr Mgmt IC for Li-Ion Systems |
![]() Data Sheet |
![]()
|
|
||||||||||
![]() |
![]() TPS65021RHARG4 |
![]() Texas Instruments |
![]() Battery Management 6-Ch Pwr Mgmt IC for Li-Ion Systems |
![]() Data Sheet |
![]()
|
|
||||||||||
(China (Mainland))









